基于超低功耗單片機MSP430F4152微控制器設計了時差式超聲波流量計,實現了水流量的實時檢測.實驗裝置利用高速計時芯片TDC-GP21完成精確的流量計量,利用RS-485總線方式將數據傳輸至遠方計算機,利用LabVIEW軟件將接收到數據做成表格并繪制成折線圖以供分析.
超聲波流量計由于具有結構簡單、測量準確、 壓力損失小等特點可以應用于氣體液體體以及固體物質流量的測量,流速從幾cm/s到十幾m /s被測量介質工作溫度可以達到上千℃的高溫.在 工業現場應用越來越廣泛時差法超聲波流量檢 測方法是測量超聲波順流和逆流的時間差,通過 計算得到流體的流速,但是在低流速情況下,時間 差只有n s級。使用常規的時間測量方法無法檢測 到,而新型高精度計時芯片TDOOP21則可以完 成⑵級的測量.本文設計了基于超低功耗單片 機MSP430F4152微控制器的時差式超聲波流量 計實驗裝置以實現對水流量的實時檢測其中利用高速計時芯片TDC-GP21完成精確的流量計 量.利用RS-485通信模塊將數據遠距離傳輸至 計算機,利用計算機LabvIEW軟件將接收到的 時間差和標準表讀數做成表格并繪制成折線圖以 供分析學生可以在實驗中掌握超聲波流量計的原理及實現過程.
1.時差式超聲波流量計的原理
超聲波在流體中的傳播速度與流體的流速有 關,順流超聲波的傳播速度大于逆流超聲波的傳 播速度D],本文涉及的時差式超聲波流量計采用 2個超聲波探頭發送和接收信號,通過測量沿順、 逆流方向傳播時的時間差計算流體的速度.現考慮利用超聲波u型反射法測量流速.原理如圖 1所示.


2.實驗裝置總體結構
實驗裝置總體設計如圖2所示,主要有流量 發生器、標準流量計、流量計量模塊數據通信模 塊和微機等流量發生器包括了水源水泵和閥 門開關,用于模擬實際管道的水流情況;流量計量 模塊包括換能器驅動模塊和信號處理模塊 顯示模塊;數據通信模塊利用Rs-485總線方式 進行數據通信.微機接收時間差和標準表讀數數據,利用LabVIEW軟件將數據做成表格并繪串折線圖以供分析.

3.流量計量模塊
測量流量的重點是對順逆流時間差的測量. 以高精度計時芯片TDC-GP21為核心.可以精確 地測量順逆流時間差為了保證實驗的安全性和實驗設備的便攜性.采用了電池供電的方式,選擇 超低功耗單片機作為主控芯片. 使用段式液晶顯示.在硬件上保證了系統的超低 功耗.程序中通過多種低功耗模式和不同時鐘頻 率的選擇.使得系統在電池供電條件下,可以長期 可靠地運行.在上述硬件平臺基礎上,在IAR編 譯環境下使用C語言編寫了控制程序.核心部 分是TDC-GP21的驅動程序,通過整合硬件資源,完成了流量的測量和顯示.
硬件電路功能框圖如圖3所示.電路的工作原理是:系統上電后,單片機首先對自身和計時芯 片進行初始化設置.發送控制指令到收發時序控 制模塊,用來確定此次測量的方向.發送開始指 令到局精度計時芯片了TDC-GP21.通知其內部的 脈沖發生器發射出1組脈沖信號.驅動換能器發 射超聲波.同時GPM開始計時.超聲波在通過

管道流體后換能器將接受的信號處理后送入GP21的STOP引腳,GP21計時結束,之后由算 術邏輯單元通過計算2次信號到下個時鐘上升沿 的時間和中間時鐘脈沖的個數算出聲波信號在 流體中的傳播時間.變換超聲波的傳播方向再次 測量,再次得到傳播時間,這g個時間參量經過 運算得到順逆流的時間差.由lCD顯示模塊進行 顯示并由通信模塊發送數據.
3.1超聲波換能器
在超聲波流量計中,超聲波換能器是重要的 組成部分.也是本裝置利用超聲波技術進行流量 測量的關鍵.它直接影響流量計的準確性和性能 .本裝置采用了目前應用最廣泛的壓電式超聲波換 能器其性能相對于其他超聲波換能器較好并且結構簡單易于激勵方便安裝.
超聲^頻率越高.其對于測量而言,分辨率就 越高,測量精度就越高.用于水流的測量時.超聲 波頻率范圍一般為?理論上講,為了 提高檢測精度.應該選用頻率較高的超聲波.但是 對于同一種介質而言.超聲波頻率越高,衰減就越 大.衰減速度就越快,所以在實際應用¥要選擇合 適的超聲波頻率,在本裝置中,為了保證超聲波 不被水吸收過多并保證接收信號的測量精度.選 擇的超聲波中心頻率為丨MHz、入射角為90'本 裝置所用超聲波換能器的連接如圖4所示.2個超聲波換能器被安裝在管段的正上方中心間距為L,管段底端正對著換能器的位置是2個不銹 鋼反射鏡面.可以有效地減少超聲波反射時的能 量損耗換能器

3.2時間計量芯片TDC-GP21
在靜水中超聲波的傳播速度為1 450 m 設 計的超聲波流量計檢測水的流速范圍為0.05 %? 20 m/s. 在相同路徑傳播下,準確測量超聲波順逆流時間差是檢測的關鍵.以超聲波在水中 的傳播距離L=10.00cm為例.計算得其在靜水 中的傳播時間為68. 966Us 根據(4)式可知,水的 流速范圍為0.05-20 m s時,順流和逆流時間差 為4. 75 ns?1. 90 因此計時精度必須達到! ns 以下,若水流速更k則要求的計時精度就更高?有 時甚至要求計時精度達到ps級,
隨著集成電路的高速發展,高速時間芯片不 斷出現,使得…級的測量精度成為可能本裝置 采用的計時芯片是德國ACAM公司生產的新一 代局精度時間間隔數字轉換芯片了DOGP21,內 部具有高速脈沖發生器溫度測量時鐘控制以及 停止信號使能等功能.測量精度^到幾十ps,另 外芯片功耗非常低適合用于超聲流量表中⑴

圖5顯不了 TDC~OP21測量絕對時間的主 要構架芯片是以信號通過內部門電路的傳播延 遲進行高精度時間間隔測量?芯片所包含的智能 電路結構和冗余電路以及特殊的布線方法.使得 芯片可以精確地計算信號通過門電路的個數該系統采用的GP21芯片的測量范圍為500 ns? 4 ms.如圖6所示,在該測量范圍下芯片的高速 測量單元測量的并不是整個時間間隔.而是測量START和STOP到相鄰的基準時鐘上升沿之間 的精確間隔時間在2次精確測量之間,芯片內部 會記下基準時鐘的周期數,最后再精確測量2個 周期的精確時間用于校準時鐘周期,通過計算得 出該次測量時間的精確值,測量單元由START 信號觸發,接收到STC)P信號后停止,測量范圍 可達位
了 DOGP21具有精確的溫度測量、觸發脈沖 產生器和時鐘校準器等多種功能,只要在其基礎 上加上微處理器和傳感器驅動模塊.就可以構成 超聲波流量計?微處理器只需發送開始命令, TDC-GP21發i脈沖觸發超聲波傳感器并測量超 聲波渡越時間計算出結果通過SPI串行 總線傳給微處理器圖7為時間計量的原理圖


3.3 控制芯片 MSP430F4152
選擇單片機除了要考慮到期望功能和開發環 境外,特別要關注單片機自身的功率和它所能提 供的節能方式以及重要的1(3接口線等.本裝置 使用電池供電.首先要考慮單片機的能耗問題,采
用丁1公司的MSP430F4152單片機?它是專門為 低功耗而設計的16位的單片機.其自身具有非 常多的優點:在超低功耗方面,其處理器功耗在 業界是最低的.遠低于其他系列產品,非常適合由 電池供電的場合.在運算性能上.單片機采用16位RISC結構?其在16 MHz晶振工作頻率時,指 令速度可達16 MIPS,保證了運算的速度.單片 機強大的數據處理和運算能力.可以有效地處理 由GP21傳來的時間信息.在開發工具上. MSP430系列單片機支持先進的JTAX}調試.利 用其軟件集成開發環境IAR可以非常方便地用 e語言完成軟件的開發? MSP430系列單片機均 為工業級產品.性能穩定.可靠性高,可用于各種 民用工業產品利用這種局性能 低功耗的單片機作為控制芯片.可以進行有效系 統控制并且大大減少系統耗能.
4.數據通信模塊
遠程抄表是新興的抄表技術.能夠解決人工抄表存在的效率低和易出錯的問題,提高了工作效率和工作質量流量計實驗裝置中,通信接口電 路和端口轉換器組成了數據通信部分,用于實現流 量計和標準流量表與上位機的數據遠程傳輸
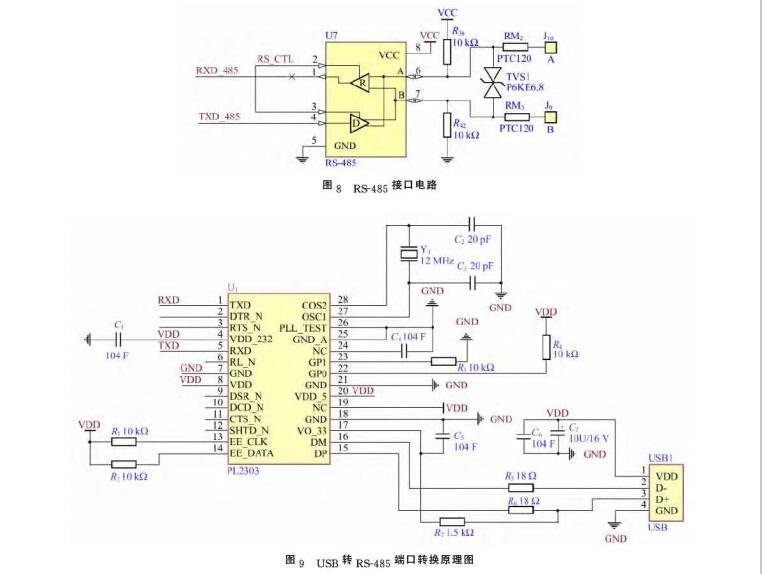
4.1通信接口電路
因為RS-485總線具有設計成本低成本、傳輸速度快、傳輸距離遠等優點.所以本裝置用 485總線標準,電路圖如圖8所示,由TXD和 RXD端口進行數據的發送和接收?信號由A和B 端口輸出.所連接的TVS 二極管用于保護芯片免 受浪涌脈沖的破壞⑷?
42端口轉換器簡介
在與上位機進行通信時,所用到的端口轉換 器是商業級USB轉RSr485單口防雷防浪涌接口 轉換器.以臺灣PU303HX芯片為主芯片.原理 圖如圖9所示.該產品從上取電,無需外加電源,兼容USI3L0/L 1/2. 0.RS-485標準,能 夠將USB信號及協議幀轉換為平衡差分的485信號,可實現星形USB網絡到RS-485網絡 的橋接.轉換器內部帶有零延時自動收發轉換模 塊其獨有的丨m電路可以自動控制數據流方向 而不需任何握手信號.也無需跳線設置實現全雙工(RS^422)、半雙工(R&485)模式轉換,即插即 用確保適合一切現有的通信軟件和接口硬件.


5.數據測試
微機接收到時間差和瞬時流量數據使用abVIEW軟件將數據做成表格?如表1所示?并 且繪出折線圖如圖1()所示、可以看出時間差與瞬 時流量成線性關系

6.結語
本裝置的核心是讓學生在實驗中掌握超聲波 流量計的原理及實現方法,利用RS-485通信同 時采集流量計和標準流量表的數據并利用計算機 進行表格和圖像的繪制,可看出在外界溫度不變 的情況下瞬時流量與流量計測得的時間差是成 線性的?此外.超聲波的波速會因溫度的變化而 變化裝置還配有溫度測量部分.利用18B20 溫度傳感器測量溫度.學生可自行研究溫度對超 聲波波速的影響并編程進行溫度補償