超聲波流量計的研究
物理學中的有一種超聲波多普勒效應現象, 本文將探討這一物理學現象應用于流量的監測系統之中。
引言
近年來,隨著人口的增長,工農業生產和城鎮建設的迅速發展,各河流域廢污水排放量呈逐年不斷增加。水質超標率也呈上升趨勢;水污染日趨嚴重。特別是隨著經濟的發展很多工業城市的廢水排放量較大,已造成城市地表水的嚴重污染,給人們的生活健康帶來了巨大的隱患。國家也把政治重點流域的水污染防治列入了“十五”計劃當中,要求各省市加大工作力度,推進污水防治工作。
基于以上情況我們在科普文獻中看到了一種物理學現象即多普勒效應 Doppler effect 水波的多普勒效應。多普勒效應是為紀念奧地利物理學家及數學家克里斯琴·約翰·多普勒(Christian Johann Doppler)而命名的,他于 1842 年首先提出了這一理論。主要內容為:物體輻射的波長因為波源和觀測者的相對運動而產生變化。這種現象稱之為多普勒效應。基于超聲多普勒效應,將現代聲學的基礎研究成果與電子技術相結合,就可以應用到液體的流量計量中。
1.多普勒超聲波流量監測系統的原理及系統構成
■■1.1 多普勒超聲波流量計的原理
多普勒超聲波流量計是一種高性能非接觸式流量計。該儀表是以超聲波傳播原理測量圓管內液體流量的儀表,探頭只需貼裝在管外側,不與流體直接接觸,其測量過程對管路系統無任何影響,使用非常方便。多普勒超聲波流量計,主要適用于含有固體顆粒或雜質的多項流體的計量。
多普勒超聲波流量計以多普勒效應為其工作原理,即反射聲源被一個相對運動的介質反射時,反射信號與發射信號的頻率出現差異,這種現象稱之為多普勒效應,而這種頻差稱之為多普勒頻差。

如圖 1 所示,兩個專門兒設計的超聲波探頭安裝于管道外壁。探頭 T 連續發射超聲波 Ft, 超聲波以聲速 C 穿過管壁進入流體流速為 v 的流體之中,部分超聲波遇到流體中的顆粒雜質等介質而發生反射,頻率為 Fr 的超聲波,由探頭 R 接收。
接收頻率 Fr 發生多普勒頻移 Fd, 與流體流速成正比。其理論公式為:![]()
![]()
![]()
![]()
![]()
![]()
![]()
![]()
![]()
![]()
--- 式中為流體流向與超聲波聲束夾角
![]()
![]()
![]()
![]()
![]()
整理得
從上式可知通過測量 Fd 便可以得出流速 v,而流量 Q
通過管道截面積 S 得出 :Q=V*S。
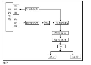
■■1.2 系統構成
超聲波流量計分超聲換能器(探頭)與主機兩部分,見

圖 2。
1.2.1 高靈敏度、高分辨率單晶超聲換能器
目前市面上的超聲波流量計大多靈敏度不夠,極易受周圍環境的干擾。而超聲換能器是超聲檢測系統中的重要組成部分,超聲換能器的性能對超聲檢測的結果有著重要的影響。
為了保證檢測結果的一致性和可靠性,靈敏度特性是一個重要的特性參數。為此我們參考借鑒了醫用超聲波探頭的制作方法,國內超聲波探頭的研制往往落后于電子儀表部分。該方法采用了鋯鈦酸鉛 (PZT) 圓形壓電超聲換能器,超聲換能


